Well, Jock, given that the loop is indoors and used on a wide range of frequencies, the impedance will be all over the place, for this reason you may consider picking (or building) a 1:1 balun or even going for no balun at all and using an adapter like
this one; as for building the balun, it isn't difficult, you may just wind it following the instructions for
the one used for the NCPL antenna; that one is a 1:1 (same number of turns for both windings), willing to change the ratio means doing a little math; let's say we want to have a 4:1, all we need to do is calculating the square root of 4 which will be 2, now this means that to obtain a 4:1 transformation ratio our balun will need a 2:1 windings ratio, so for example, we may wind 4 turns for the primary and 2 turns for the secondary (4/2=2) and we'll have our 4:1 balun

the only thing to remember is that each time the two ends of the wire pass through the binocular core holes and exit from the opposite direction, that counts as ONE turn not a half one, look at this image
the "C" is ONE turn, the "D" is TWO turns, see it

?
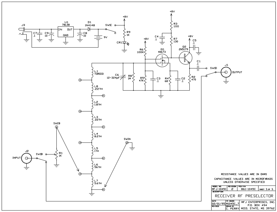
As for the MFJ-1045C, had a quick look at its schematic (below) and sincerely I can't say I like it, anyhow, if it works for you...

- MFJ-1045C.png (121.14 KiB) Viewed 82791 times