So I want to connect my horizontal room loop to an MFJ 1045C

Do you have a question about choosing a radio, installing an antenna, or are you simply trying to figure out how to find that elusive station on the dial? This is a place where you can ask your question and seek guidance from a wide variety of radio enthusiasts. No questions are too simple. You will be treated with respect here.
Post Reply
User avatar
Jock Elliott
Posts: 31
Joined: Sun May 29, 2022 9:44 am

So I want to connect my horizontal room loop to an MFJ 1045C

Post by Jock Elliott »

I want to connect this -- https://swling.com/blog/2021/06/jock-de ... on-issues/ -- to an MFJ 1045C active preselector, which requires coax input and does not accept a wire antenna directly.

So I need a balun?? -- maybe this? https://www.amazon.com/LDG-RBA-4-Balun- ... 810&sr=8-5

Am I correct that an unun is not the right thing?
User avatar
Andrew (grayhat)
Posts: 318
Joined: Sat May 28, 2022 5:56 am
Location: JN63pn

Re: So I want to connect my horizontal room loop to an MFJ 1045C

Post by Andrew (grayhat) »

Well, Jock, given that the loop is indoors and used on a wide range of frequencies, the impedance will be all over the place, for this reason you may consider picking (or building) a 1:1 balun or even going for no balun at all and using an adapter like this one; as for building the balun, it isn't difficult, you may just wind it following the instructions for the one used for the NCPL antenna; that one is a 1:1 (same number of turns for both windings), willing to change the ratio means doing a little math; let's say we want to have a 4:1, all we need to do is calculating the square root of 4 which will be 2, now this means that to obtain a 4:1 transformation ratio our balun will need a 2:1 windings ratio, so for example, we may wind 4 turns for the primary and 2 turns for the secondary (4/2=2) and we'll have our 4:1 balun :D the only thing to remember is that each time the two ends of the wire pass through the binocular core holes and exit from the opposite direction, that counts as ONE turn not a half one, look at this image

Image

the "C" is ONE turn, the "D" is TWO turns, see it :) ?

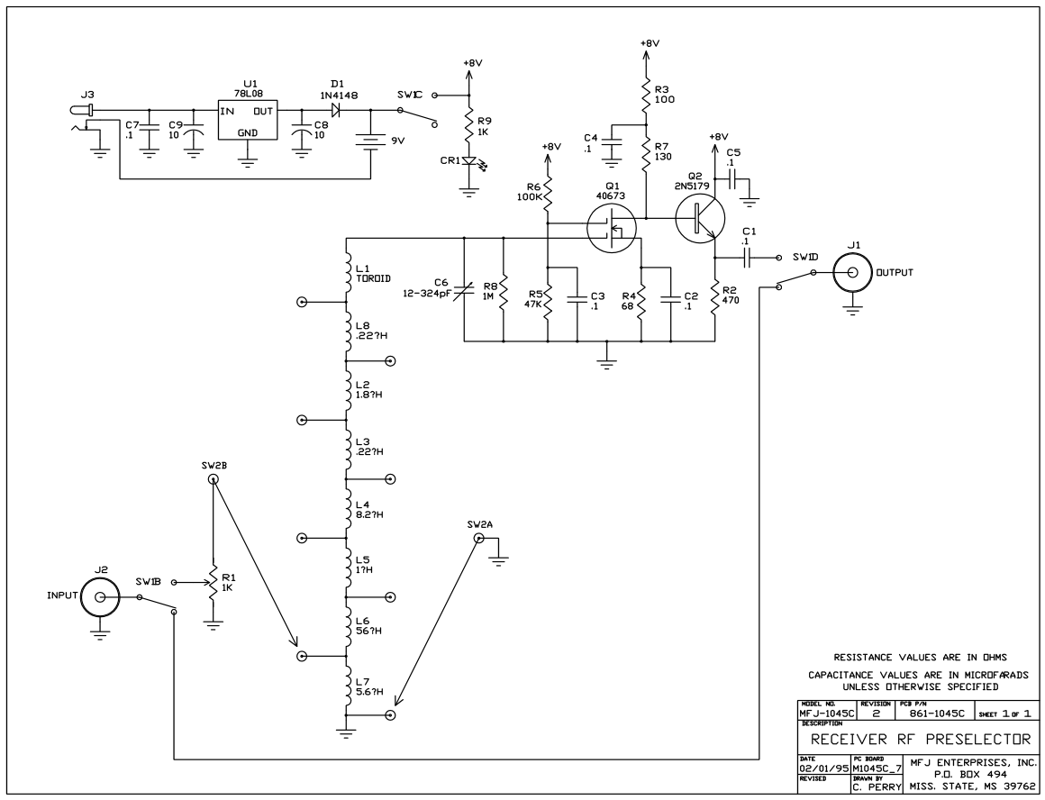
As for the MFJ-1045C, had a quick look at its schematic (below) and sincerely I can't say I like it, anyhow, if it works for you...
MFJ-1045C.png
MFJ-1045C.png (121.14 KiB) Viewed 81322 times
User avatar
Jock Elliott
Posts: 31
Joined: Sun May 29, 2022 9:44 am

Re: So I want to connect my horizontal room loop to an MFJ 1045C

Post by Jock Elliott »

Got it. Thanks!

I think I will try first with the adaptor.
Post Reply